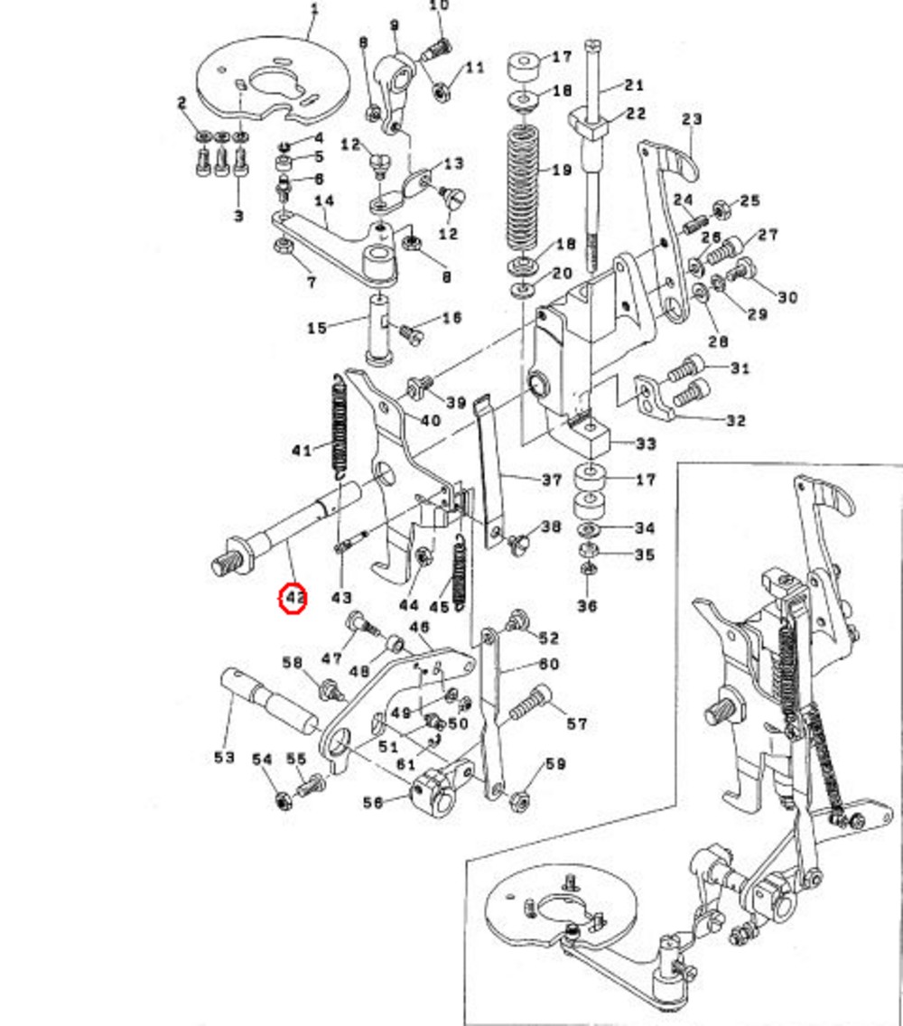
Вал рычага стопорного движения 135-20200

Наличие уточняйте у менеджера
Код товара:
350р.

Для заказа интересующего оборудования или получения дополнительной информации позвоните нам: +7(495) 767-15-33 или напишите Телеграм, info@granucci.ru

Наши менеджеры будут рады проконсультировать Вас!

Описание

Вал рычага стопорного движения 135-20200
0